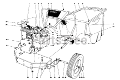
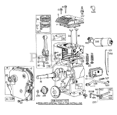
62900 - Toro Lawn Vacuum, 5hp (SN: 003000001 - 003999999) (1973) Parts & Diagrams Parts Lists & Diagrams

Lawn Vacuum, 5hp