72084 (266-H) - Toro Yard Tractor (SN: 069000001 - 069999999) (1996) Brake Interlock Tuff Torq Transmission K61 (toro) Parts Diagram

Yard Tractor

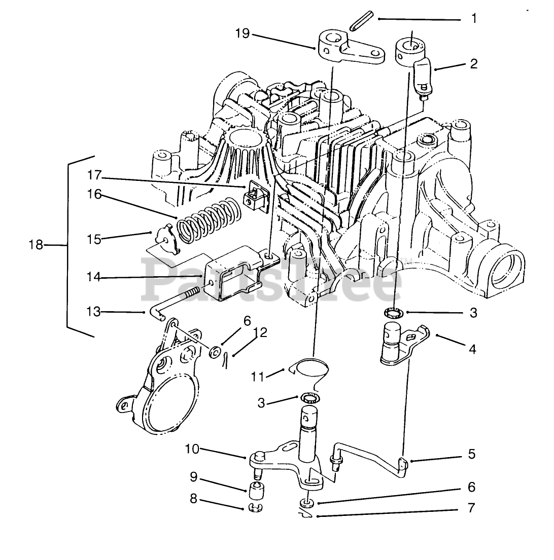
Brake Interlock Tuff Torq Transmission K61 (toro) Parts Diagram

  • Title
1

Toro 93-0411

PIN-ROLL

$9.49

$

Usually ships in 3-6 days

0

2

Toro 93-0433

ARM-BRAKE B

$

$

Not available

3

Toro 93-0418

O-RING

$8.49

$

In Stock, only 3 left!

0

4

Toro 93-0432

ARM-BRAKE A

$

$

Not available

5

Toro 93-0431

ROD-BRAKE

$

$

Not available

6

Toro 93-0435

WASHER

$

$

Not available

7

Toro 93-0434

DISCONTINUED

$

$

Not available

8

$

$

Not available

9

Toro 93-0421

BUSHING

$33.99

$

Usually ships in 3-6 days

0

10

Toro 93-0430

SHAFT-BRAKE

$433.99

$

Usually ships in 3-6 days

0

11

Toro 93-0422

RETURN-BRAKE

$53.99

$

Usually ships in 3-6 days

0

12

Toro 93-0412

PIN-COTTER

$

$

Not available

13

Toro 93-0428

ROD - ADJUSTER

Note: Included in a service kit or in an assembly

$

$

Not available

14

Toro 93-0426

HOLDER - SPRING

Note: Included in a service kit or in an assembly

$

$

Not available

15

Toro 93-0425

GUIDE - SPRING

Note: Included in a service kit or in an assembly

$

$

Not available

16

Toro 93-0427

DISCONTINUED

Note: Included in a service kit or in an assembly

$

$

Not available

17

Toro 93-0424

ADJUSTER

Note: Included in a service kit or in an assembly

$

$

Not available

18

Toro 93-0423

ROD ASM

$

$

Not available

19

Toro 93-0429

ARM-BRAKE

$

$

Not available