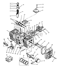
73520 (520-H) - Toro Garden Tractor (SN: 059000178 - 059999999) (1995) Parts & Diagrams Parts Lists & Diagrams

Garden Tractor