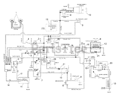
936027 (1640 H) - Ariens Sierra 40" Yard Tractor, 16hp Briggs & Stratton, Hydro (SN: 000101 & Above) Parts & Diagrams Parts Lists & Diagrams

Sierra 40" Yard Tractor, 16hp Briggs & Stratton, Hydro