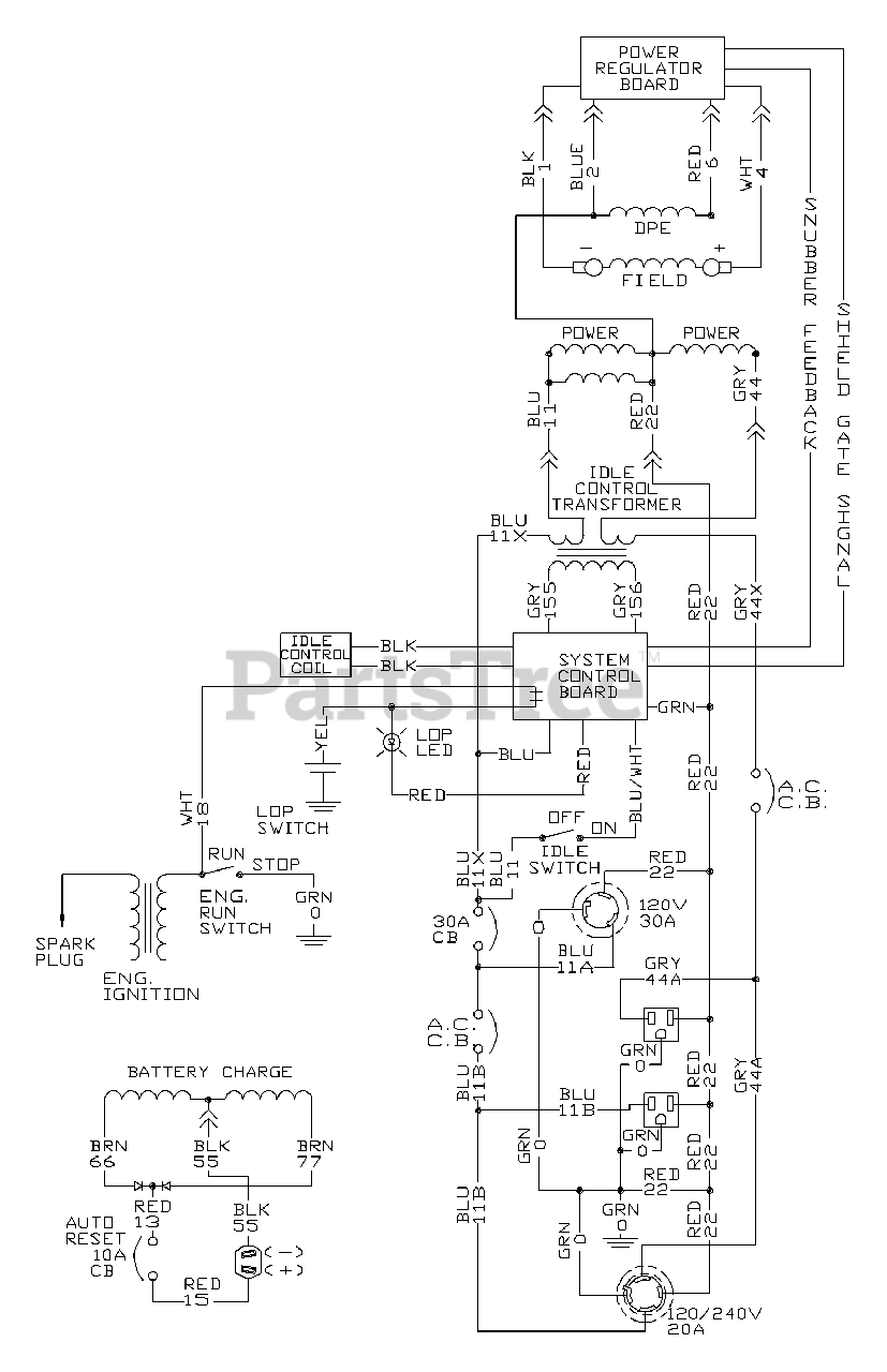
9777-4 - Generac XL 4,000 Watt Portable Generator Wiring Schematic Parts Diagram

XL 4,000 Watt Portable Generator

Wiring Schematic Parts Diagram

  • Title