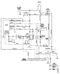
991073 - Ariens Max-Zoom HD 48" Zero-Turn Mower, 24hp Kawasaki (SN: 000101 & Above) Parts & Diagrams Parts Lists & Diagrams

Max-Zoom HD 48" Zero-Turn Mower, 24hp Kawasaki