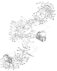
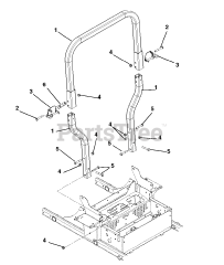
992325 (Pro-Turn 252) - Gravely Pro-Turn 52" Zero-Turn Mower, Kawasaki FX (SN: 000101 - 002499) Parts & Diagrams Parts Lists & Diagrams

Pro-Turn 52" Zero-Turn Mower, Kawasaki FX