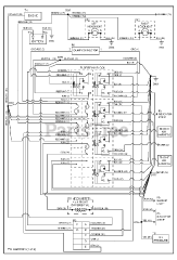
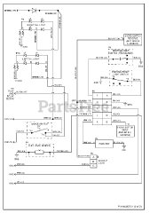
996123 (420 RX) - Gravely Treker Utility Vehicle, 4x2, Red, Subaru (SN: 020000 & Above) Parts & Diagrams Parts Lists & Diagrams

Treker Utility Vehicle, 4x2, Red, Subaru