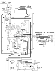
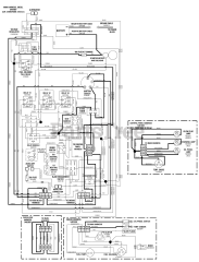
IS 2000Z (5900627) - Ferris IS2000Z Series 48" Zero-Turn Mower, 20hp Yanmar, Side-Discharge Parts & Diagrams Parts Lists & Diagrams

IS2000Z Series 48" Zero-Turn Mower, 20hp Yanmar, Side-Discharge