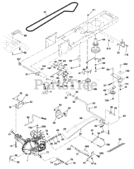
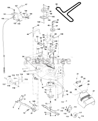
LTH 1342 (954568519-A) - Husqvarna 42" Lawn Tractor (2002-01) Parts & Diagrams Parts Lists & Diagrams

42" Lawn Tractor