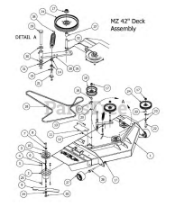
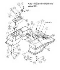
MZ - Bad Boy Zero-Turn Mower (2016) Parts & Diagrams Parts Lists & Diagrams

Zero-Turn Mower