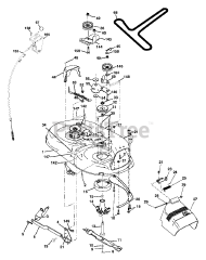
PD 17542 LT (960120011-01) - Poulan Pro Lawn Tractor (2005) Parts & Diagrams Parts Lists & Diagrams

Lawn Tractor