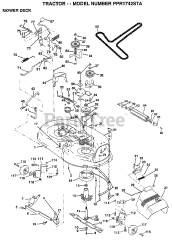
PPR 1742ST A - Poulan Pro Lawn Tractor (1999) Parts & Diagrams Parts Lists & Diagrams

Lawn Tractor