QT04842JNAN - Generac 48kW Home Standby Generator (SN: 5146214 - 5239478) (2008) Schematic Diagram (0G9257) Parts Diagram

48kW Home Standby Generator

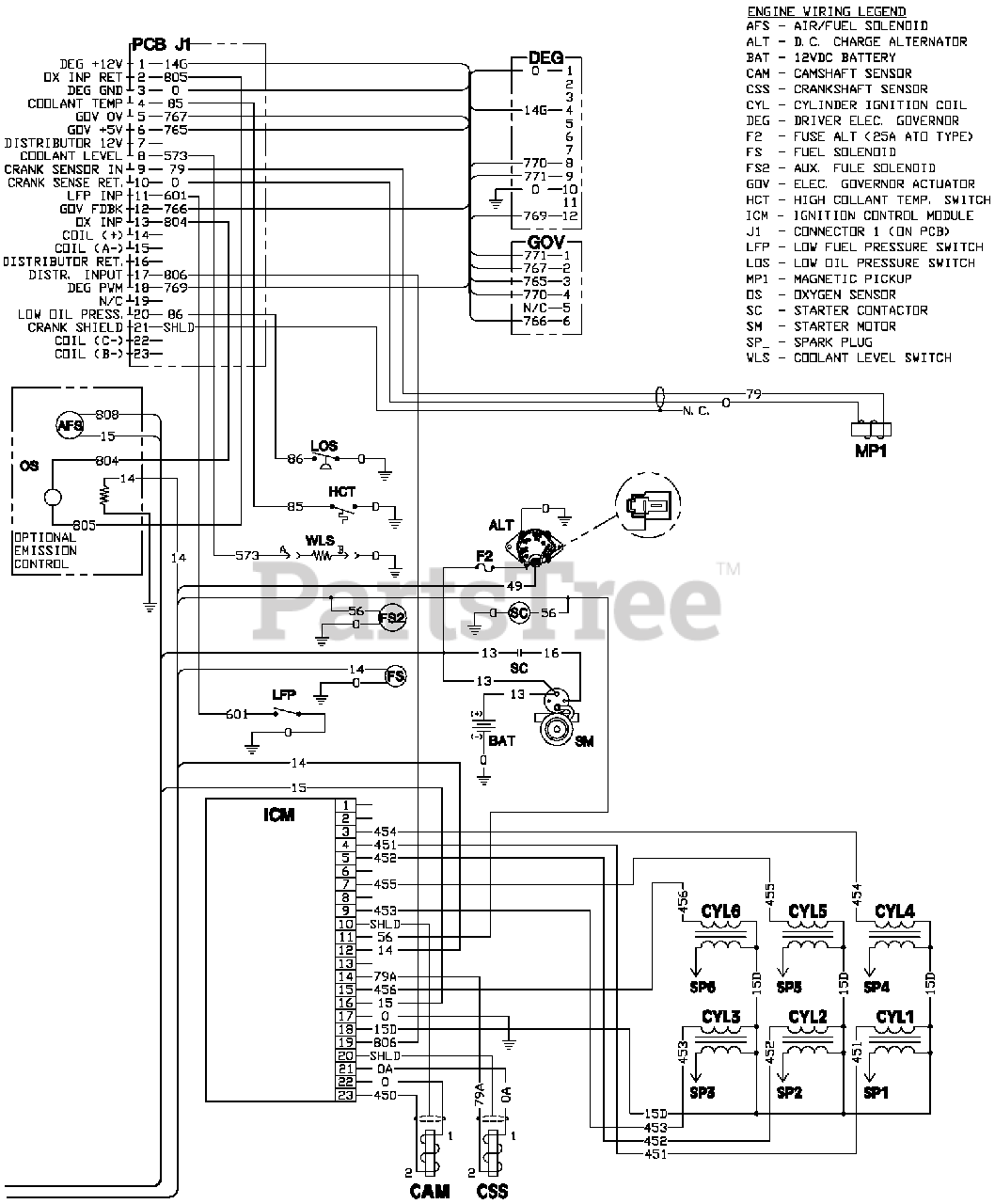
Schematic Diagram (0G9257) Parts Diagram

  • Title

No Part List Information Available

$

$

Not available