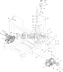
RAE708GEM48C00 - Exmark 48" Radius E-Series Zero-Turn Mower, Exmark 708 (SN: 411294212 - 413950473) (Rev A) (2022) Parts & Diagrams Parts Lists & Diagrams

48" Radius E-Series Zero-Turn Mower, Exmark 708