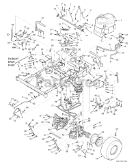
SFZ48-26BS - Scag Freedom Z 48" Zero-Turn Mower, 26hp Briggs & Stratton (SN: D1500001 - D1599999) Parts & Diagrams Parts Lists & Diagrams

Freedom Z 48" Zero-Turn Mower, 26hp Briggs & Stratton