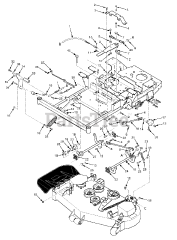
SFZ52-691FS - Scag Freedom Z 52" Zero-Turn Mower, Kawasaki 691FS (SN: H4900400 - H4999999) Parts & Diagrams Parts Lists & Diagrams

Freedom Z 52" Zero-Turn Mower, Kawasaki 691FS