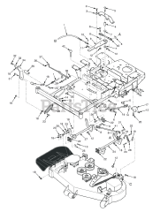
SPZ52-23CV - Scag Patriot 52" Zero-Turn Mower, 23hp Kohler (SN: R3600000 - R3699999) Parts & Diagrams Parts Lists & Diagrams

Patriot 52" Zero-Turn Mower, 23hp Kohler