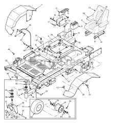
STT61A-27KA - Scag Turf Tiger 61" Zero-Turn Mower, 27hp Kawasaki (SN: 8520001 - 8529999) Parts & Diagrams Parts Lists & Diagrams

Turf Tiger 61" Zero-Turn Mower, 27hp Kawasaki