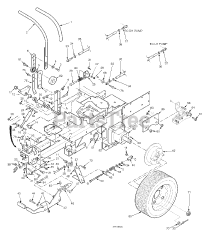
STT61V-31EFI-SS - Scag Turf Tiger 61" Zero-Turn Mower, 31hp Kohler (SN: D7900001 - D7999999) Parts & Diagrams Parts Lists & Diagrams

Turf Tiger 61" Zero-Turn Mower, 31hp Kohler