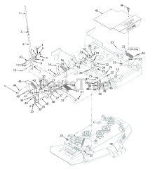
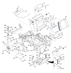
SVRII-61V-25FX - Scag V-Ride II 61" Stand-On Mower, 25hp Kawasaki 801FX (SN: N6400001 - N6499999) Parts & Diagrams Parts Lists & Diagrams

V-Ride II 61" Stand-On Mower, 25hp Kawasaki 801FX