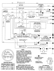
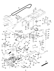
YTH 160 (954140008-A) - Husqvarna Yard Tractor (1997-11) Parts & Diagrams Parts Lists & Diagrams

Yard Tractor