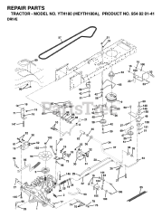
YTH 180 (954820141-A) - Husqvarna Yard Tractor (1998-12) Parts & Diagrams Parts Lists & Diagrams

Yard Tractor