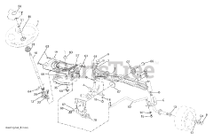
YTH 2448 T (960430008-00) - Husqvarna 48" Yard Tractor (2006-03) Parts & Diagrams Parts Lists & Diagrams

48" Yard Tractor