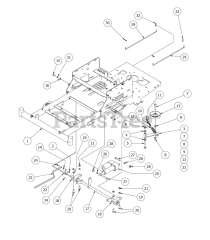
Bad Boy 039-5944-98  Pump Idler Assembly

Bad Boy 039-5944-98 Pump Idler Assembly

Bad Boy 039-5944-98

Pump Idler Assembly
(Superseded to )

$

$

Not available

Models that Use this Part

Your part was not found on any models.

  • If you feel this is in error or desire further assistance, please call us!

AOS - Bad Boy Zero-Turn Mower (2008)

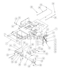
Pump Plate / Clutch Assembly

AOS - Bad Boy Zero-Turn Mower (2009)

Pump Plate / Clutch Assembly

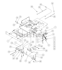
CZT Elite - Bad Boy Zero-Turn Mower (2013)

Actuator

CZT Elite - Bad Boy Zero-Turn Mower (2014)

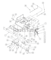
Frame Bottom Assemblies

CZT Elite - Bad Boy Zero-Turn Mower (2015)

Frame Bottom Assemblies

ZT Elite - Bad Boy Zero-Turn Mower (2013)

Frame Bottom Assemblies

ZT Elite - Bad Boy Zero-Turn Mower (2014)

Bottom Frame Assembly

ZT Elite - Bad Boy Zero-Turn Mower (2015)

Frame Bottom Assemblies