Cub Cadet 753-0362
              
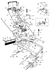
              KIT-CLUTCH CONTROL
               - 
             
            
            
            
               in.
               in.
               in.
               lbs.
             
            
            
           
          
          
     
    
    
      
      
        
          Your part was not found on any models.
          
            
              - If you feel this is in error or desire further assistance, please call us!
 
         
        
        
          
          
        
            
              
              
                
                  294 (294123) - Cub Cadet Walk-Behind Mower (1983)
                
                
               
             
           
            
              
              
                
                  294 (294124) - Cub Cadet Walk-Behind Mower (1984)
                
                
               
             
           
            
              
              
                
                  294 (294125) - Cub Cadet Walk-Behind Mower (1985)
                
                
               
             
           
            
              
              
                
                  364 (126-364-100) - Cub Cadet Walk-Behind Mower (1986)
                
                
               
             
           
            
              
              
                
                  364 (364125) - Cub Cadet Walk-Behind Mower (1985)
                
                
               
             
           
            
              
              
                
                  365 (123-365-100) - Cub Cadet Self-Propelled Walk-Behind Mower (1983)
                
                
               
             
           
            
              
              
                
                  365 (124-365-100) - Cub Cadet Self-Propelled Walk-Behind Mower (1984)
                
                
               
             
           
            
              
              
                
                  373 (373123) - Cub Cadet Walk-Behind Mower (1983)
                
                
               
             
           
            
              
              
                
                  373 (373124) - Cub Cadet Walk-Behind Mower (1984)
                
                
               
             
           
            
              
              
                
                  560 (126-560-100) - Cub Cadet Walk-Behind Mower (1986)
                
                
               
             
           
            
              
              
                
                  560 (127-560-100) - Cub Cadet Walk-Behind Mower (1987)
                
                
               
             
           
            
              
              
                
                  560 B (120-560B100) - Cub Cadet Walk-Behind Mower (1990)
                
                
               
             
           
            
              
              
                
                  560 B (128-560B100) - Cub Cadet Walk-Behind Mower (1988)