Exmark 135-5973  Hydraulic Hose Assembly

Exmark 135-5973 Hydraulic Hose Assembly

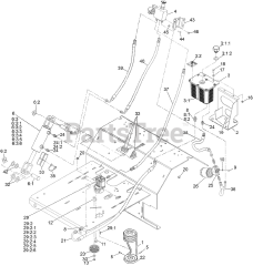
Exmark 135-5973

Hydraulic Hose Assembly
(Superseded to )

0.70 lbs.

Description... Hide
This repair part is made by the Original Equipment Manufacturer (OEM) to return your equipment to peak performance levels after normal use. When installing it, remember to do so in a well lit and ventilated space, while taking proper safety precautions like eye protection and chemical-resistant gloves as appropriate. Using only Genuine OEM parts, the same that would be used by an Authorized Dealer performing a warranty repair, will ensure the optimal performance and prolong the life of your equipment.

$64.99

$

Usually ships in 3-6 days

0

Models that Use this Part

Your part was not found on any models.

  • If you feel this is in error or desire further assistance, please call us!

ARX541CKA30000 - Exmark 30" Stand-On Aerator, Kawasaki FS541V (SN: 404314159 - 406294344) (2019)

Auxiliary Hydraulic Assembly

ARX541CKA30000 - Exmark 30" Stand-On Aerator, Kawasaki FS541V (SN: 406294345 - 408644345) (Rev A) (2020)

Auxiliary Hydraulic Assembly

ARX541CKA30000 - Exmark 30" Stand-On Aerator, Kawasaki FS541V (SN: 406294345 - 408644345) (Rev B) (2020)

Auxiliary Hydraulic Assembly

ZA4830 - Exmark 30" Z-Aerate Stand-On Aerator, Kawasaki FS541V (SN: 408644346 - 411294211) (Rev A) (2021)

Auxiliary Hydraulic Assembly

ZA4830 - Exmark 30" Z-Aerate Stand-On Aerator, Kawasaki FS541V (SN: 411294212 - 413950473) (Rev A) (2022)

Auxiliary Hydraulic Assembly

ZA4830 - Exmark 30" Z-Aerate Stand-On Aerator, Kawasaki FS541V (SN: 413950474 - 416150474) (Rev A) (2023)

Auxiliary Hydraulic Assembly

ZA4830 - Exmark 30" Z-Aerate Stand-On Aerator, Kawasaki FS541V (SN: 416150475 - 417930745) (Rev B) (2024)

Auxiliary Hydraulic Assembly