Husqvarna 601000083  SCREW, 1/4-20X .75 HXSEMM

Husqvarna 601000083 SCREW, 1/4-20X .75 HXSEMM

Husqvarna 601000083

SCREW, 1/4-20X .75 HXSEMM
(Superseded to )

$

$

Not available

Models that Use this Part

Your part was not found on any models.

  • If you feel this is in error or desire further assistance, please call us!

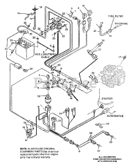
4125 G - Husqvarna 40" Lawn Tractor (1992-01)

Electrical

4125 H - Husqvarna 40" Lawn Tractor (1992-01)

Electrical

4140 H - Husqvarna 46" Lawn Tractor (1992-01)

Electrical

R 800 - Husqvarna Swedish Riding Mower (1993-04)

Electrical Assembly