Lawn-Boy 200084  DPDT SWITCH ASSY

Lawn-Boy 200084 DPDT SWITCH ASSY

Lawn-Boy 200084

DPDT SWITCH ASSY
(Superseded to 742790)

0.08 lbs.

$

$

Not available

Models that Use this Part

Your part was not found on any models.

  • If you feel this is in error or desire further assistance, please call us!

62542 C - Lawn-Boy Grass Catcher (SN: G00000001 - G99999999) (1988)

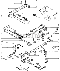
Electric Lift Kit Parts Model 63676

63667 B - Lawn-Boy Grass Catcher (SN: 800000001 - 899999999) (1988)

Electric Lift Kit Parts Model 63676

63674 A - Lawn-Boy 36" Snow Thrower Attachment (SN: 800000001 - 899999999) (1988)

Electric Lift Kit Parts Model 63676

63676 - Lawn-Boy Electric Lift (SN: 800000001 - 899999999) (1988)

ELECTRIC LIFT KIT PARTS MODEL 63676