MTD GW-T242176  No Longer Available

MTD GW-T242176 No Longer Available

MTD GW-T242176

No Longer Available
(Superseded to )

$

$

Not available

Models that Use this Part

Your part was not found on any models.

  • If you feel this is in error or desire further assistance, please call us!

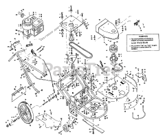
11362 - Troy-Bilt Tuff-Cut II 22" Walk-Behind Mower, 5hp

MAIN ASSEMBLY

11363 - Troy-Bilt Tuff-Cut II 22" Walk-Behind Mower, 5hp

MAIN ASSEMBLY

11364 - Troy-Bilt Tuff-Cut II 22" Walk-Behind Mower, 5hp

MAIN ASSEMBLY