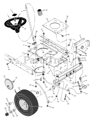
Murray 334429MA  HUBCAP 6 EURO GREY 6

Murray 334429MA HUBCAP 6 EURO GREY 6

Murray 334429MA

HUBCAP 6 EURO GREY 6
(Superseded to )

0.31 lbs.

$

$

Not available

Models that Use this Part

Your part was not found on any models.

  • If you feel this is in error or desire further assistance, please call us!

405604x53A - Murray 40" Lawn Tractor (2004)

Steering

40567x53B - Murray 40" Lawn Tractor (2001)

Steering

425601x53A - Murray 42" Lawn Tractor (1999)

Steering

425601x53A - Murray 42" Lawn Tractor (2000)

Steering

425601x53B - Murray 42" Lawn Tractor (2001)

Steering

425621x53A - Murray 42" Lawn Tractor (2004)

Steering