Murray 702748  NUT, Hex Head, Prevailing Torque, M3

Murray 702748 NUT, Hex Head, Prevailing Torque, M3

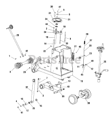
Murray 702748

NUT, Hex Head, Prevailing Torque, M3
(Superseded to )

$

$

Currently unavailable

Models that Use this Part

Your part was not found on any models.

  • If you feel this is in error or desire further assistance, please call us!

EX 20-S (866057) - Briggs & Stratton Concrete Floor Walk-Behind Saw

Water Tank Frame Assembly (80003285)