Troy-Bilt 731-3005  Front Deck Roller

Troy-Bilt 731-3005

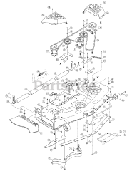
Front Deck Roller
(Superseded to )
Description... Hide
Wheels are used on all Stand-On, Riding, and Walk-Behind outdoor power equipment. Plastic wheels can wear down or break over time with impact, weight, and use. They can include wheels for the model itself, either 2-wheel or 4-wheel, or refer to the turning wheels for mower decks, like from a Zero-Turn's pivoting front wheels, or other attachments. While many wheels can be universal for certain push models, many larger push and riding equipment may require specific design and size to support more weight.

$30.99

$

In Stock, Qty 20+

0

Models that Use this Part

Your part was not found on any models.

  • If you feel this is in error or desire further assistance, please call us!

14AA80TP711 - Troy-Bilt Big Red Horse Garden Tractor (2007)

Deck 50

14AA80TP766 - Troy-Bilt Big Red Horse Garden Tractor (2007)

Deck 50

14AP80TP766 - Troy-Bilt Big Red 50" Garden Tractor (2006)

Deck Assembly

14AQ81TK766 - Troy-Bilt Big Red 54" Garden Tractor (2006)

Deck Assembly 54 inch

14AZ809K766 - Troy-Bilt Big Red Garden Tractor (2004)

Deck Assembly

GT-2554 (14AR809K063) - Troy-Bilt 54" Garden Tractor (2002)

54 Inch Deck

GTX 2654 (14AZ809K063) - Troy-Bilt 54" Garden Tractor (2003)

Deck Assembly K 54 Inch