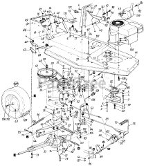
White Outdoor 16676A  BRACKET ASSY

White Outdoor 16676A BRACKET ASSY

White Outdoor 16676A

BRACKET ASSY
(Superseded to 16676B-0637)

$

$

Not available

Models that Use this Part

Your part was not found on any models.

  • If you feel this is in error or desire further assistance, please call us!

L-10 (130-425E190) - White Outdoor 36" Lawn Tractor (1990)

Drive Mounting Assembly

L-11 (139-347-190) - White Outdoor 32" Lawn Tractor (1989)

Drive Mounting Assembly

L-12 (131-455F190) - White Outdoor 38" Lawn Tractor (1991)

Drive Mounting Assembly

L-12 (132-455F190) - White Outdoor 38" Lawn Tractor (1992)

Engine, Lower Deck & Drive System

L-12 (133H471F190) - White Outdoor 38" Lawn Tractor (1993)

Engine Pulley Belt Guard Ass'y

L-12 (135C471F190) - White Outdoor 38" Lawn Tractor (1995)

Engine, Belt Pulley & Transaxle

L-12 (135H471F190) - White Outdoor 38" Lawn Tractor (1995)

Engine, Belt Pulley & Transaxle

L-12 (136C471F190) - White Outdoor 38" Lawn Tractor (1996)

Frame, Pulley, Transaxle And Engine

L-8 (130-317D190) - White Outdoor 32" Lawn Tractor (1990)

Drive Mounting Assembly

L-8 (131-317D190) - White Outdoor 32" Lawn Tractor (1991)

Drive Mounting Assembly