White Outdoor 746-0672  Throttle Cable

White Outdoor 746-0672

Throttle Cable
(Superseded to 946-0674A)

13.40 in.

9.60 in.

1.95 in.

0.14 lbs.

Description... Hide
The purpose of the Cable is most often to control the operation of the equipment itself, as with the throttle cable or brake cable, or to control a major component like the snowblower auger cable or discharge chute cable. Over time the cable can fray, wear and eventually break. Home users often clean and lube the cables during their annual tune-up. Cleaning rust, dirt, moisture, and grit off your cables and then well lubricating them with WD-40 or SeaForm DC14 can help extend their life expectancy.

$19.99

$

In Stock, only 2 left!

0

Models that Use this Part

Your part was not found on any models.

  • If you feel this is in error or desire further assistance, please call us!

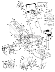
110-806R190 - White Outdoor 21" Walk-Behind Mower (1990)

Mower Assembly

119-809R190 - White Outdoor Lawn Boss 21" Walk-Behind Mower (1989)

Rotary Mower

120-476B190 - White Outdoor 21" Walk-Behind Mower (1990)

Mower Assembly

128-166B190 - White Outdoor Lawn Boss 21" Walk-Behind Mower (1988)

Mower Assembly

128-476B190 - White Outdoor Lawn Boss 22" Walk-Behind Mower (1988)

Mower Assembly

128-476R190 - White Outdoor Lawn Boss 22" Walk-Behind Mower (1988)

Mower Assembly

129-476R190 - White Outdoor Lawn Boss 21" Walk-Behind Mower (1989)

Body Assembly

129-826B190 - White Outdoor Lawn Boss 21" Walk-Behind Mower (1989)

Body Assembly