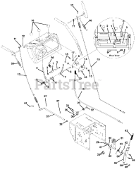
926320 (PRO 28) - Ariens Professional 28" Track Snow Blower, Briggs & Stratton (SN: 000101 & Above) Parts & Diagrams Parts Lists & Diagrams

Professional 28" Track Snow Blower, Briggs & Stratton