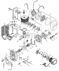
PP 440 - Poulan Pro Blower Parts & Diagrams Parts Lists & Diagrams

Blower

PP 440 - Poulan Pro Blower > Parts Diagrams (4)