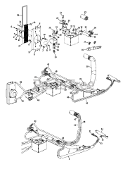
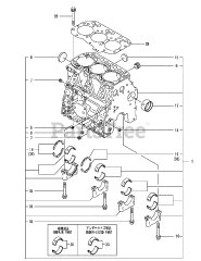
S6032-D (53AY8DU6050) - Cub Cadet 60" Tank S Zero-Turn Mower, 31.2hp Yanmar Diesel Parts & Diagrams Parts Lists & Diagrams

60" Tank S Zero-Turn Mower, 31.2hp Yanmar Diesel