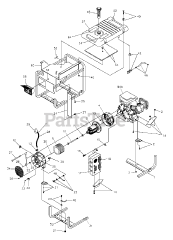
Briggs & Stratton Power 187746GS  ROTOR

Briggs & Stratton 187746GS ROTOR

Briggs & Stratton 187746GS

ROTOR
(Superseded to )

23.20 lbs.

$290.99

$

Usually ships in 2-12 days

0

Models that Use this Part

Your part was not found on any models.

  • If you feel this is in error or desire further assistance, please call us!

1642-1 - PowerBoss 5,500 Watt Portable Generator

Main Unit

1646-0 - Generac Wheelhouse 5,500 Watt Portable Generator

Main Unit

1654-0 - Generac 5,500 Watt Portable Generator

Main Unit

1655-0 - Generac Wheelhouse 5,500 Watt Portable Generator

Main Unit

1677-0 - Briggs & Stratton 5.5kW Home Standby Generator

Main Unit

1777-0 - Generac 5,500 Watt Portable Generator

Main Unit

BSP 5500 L (1774-0) - Briggs & Stratton 5,500 Watt Portable Generator

Main Unit

G 55000 (01668-0) - Snapper 5,500 Watt Portable Generator, 10hp

Main Unit