Cub Cadet 14563  USE 14563A PLATE ASSY-NOZZLE

Cub Cadet 14563 USE  14563A PLATE ASSY-NOZZLE

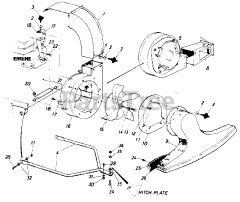
Cub Cadet 14563

USE 14563A PLATE ASSY-NOZZLE
(Superseded to 14563A)

$

$

Not available

Models that Use this Part

Your part was not found on any models.

  • If you feel this is in error or desire further assistance, please call us!

685 (240-685-100) - Cub Cadet Walk-Behind Blower (1990)

Power Vacuum Part 2

685 (241-685-100) - Cub Cadet Walk-Behind Blower (1991)

Power Vacuum

685 (242-685-100) - Cub Cadet Walk-Behind Blower (1982)

Air Duct, Door and Nozzle Assemblies

685 (242-685-100) - Cub Cadet Walk-Behind Blower (1992)

Power Vacuums - Part II

685 (243-685-100) - Cub Cadet Walk-Behind Blower (1983)

Air Duct Ass'y, Nozzle Ass'y And Blower Housing Complete

685 (243-685-100) - Cub Cadet Walk-Behind Blower (1993)

Chore Performer - Part II

685 (244-685-100) - Cub Cadet Walk-Behind Blower (1984)

Blower And Nozzle

685 (244-685-100) - Cub Cadet Walk-Behind Blower (1994)

Power Vacuum - Part II

685 (245-685-100) - Cub Cadet Walk-Behind Blower (1985)

Power Vacuum Part 2

685 (246-685-100) - Cub Cadet Walk-Behind Blower (1986)

Power Vacuum Part 2

685 (247-685-100) - Cub Cadet Walk-Behind Blower (1987)

Power Vacuum Part 2

685 (248-685-100) - Cub Cadet Walk-Behind Blower (1988)

Power Vacuum Part 2

685 (249-685-100) - Cub Cadet Walk-Behind Blower (1989)

Power Vacuum Part 2