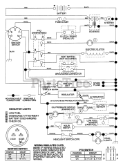
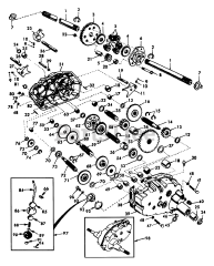
GT 200 (HN2050A) - Husqvarna Garden Tractor (1993-12) Parts & Diagrams Parts Lists & Diagrams

Garden Tractor