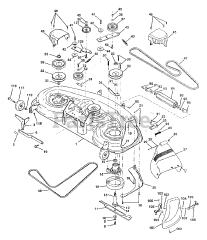
PP 1846 A - Poulan Pro Lawn Tractor Parts & Diagrams Parts Lists & Diagrams

Lawn Tractor