Homelite 760338001  SWITCH, STOP

Homelite 760338001 SWITCH, STOP

Homelite 760338001

SWITCH, STOP
(Superseded to PS02369)

$

$

Not available

Models that Use this Part

Your part was not found on any models.

  • If you feel this is in error or desire further assistance, please call us!

SUPER 2 (UT-10552) - Homelite Chainsaw

Figure A

UT-10514 - Homelite Chainsaw, 33cc

General Assembly

UT-10516 - Homelite Chainsaw, 33cc

General Assembly

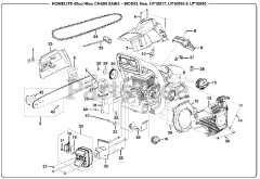
UT-10517 - Green Machine Chainsaw

General Assembly

UT-10518 - Green Machine Chainsaw

General Assembly

UT-10519 - Homelite Chainsaw, 46cc

General Assembly

UT-10520 - Green Machine Chainsaw

General Assembly

UT-10530-A - Homelite 16" Chainsaw, 33cc

Engine Housing - Fuel Tank - Oil Tank

UT-10532 - Homelite Chainsaw

Figure A

UT-40502 - Homelite Mightylite Hedge Trimmer, 26cc

Figure B

UT-40903 - Homelite Mightylite Hedge Trimmer, 26cc

Figure B