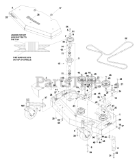
Husqvarna 539109051  DECK SLIDE, LT

Husqvarna 539109051 DECK SLIDE, LT

Husqvarna 539109051

DECK SLIDE, LT
(Superseded to )

$

$

Not available

Models that Use this Part

Your part was not found on any models.

  • If you feel this is in error or desire further assistance, please call us!

WH 3615 (968999237) - Husqvarna 36" Walk-Behind Mower (2005-08)

MOWER DECK / CUTTING DECK

WH 3615 E (968999237) - Husqvarna 36" Walk-Behind Mower (2005-08)

36 Deck

WH 4817 (968999238) - Husqvarna 48" Walk-Behind Mower (2005-08)

MOWER DECK / CUTTING DECK

WH 4817 E (968999238) - Husqvarna 48" Walk-Behind Mower (2005-08)

36 Deck

WHT 3615 (968999237) - Husqvarna 36" Walk-Behind Mower (2004-09)

Deck Assembly 36"

WHT 4817 (968999238) - Husqvarna 48" Walk-Behind Mower (2004-09)

Deck Assembly 48"